KLP系列單座調節閥,采用頂部導向不平衡式結構,高強度、重荷載、S流線型通道、壓降損失小、流量系數大、可調范圍廣、流量特性精度高。該調節閥適用于重荷載,普通或惡劣的工況,關閉嚴密,適應于對各種壓力和溫度的流體或氣體的控制,適配各種執行器,起調節作用。
※氣動調節閥簡介
KLP系列氣動快裝單座調節閥采用頂部導向不平衡式結構,高強度、重荷載、S流線型通道、壓降損失小、流量系數大、可調范圍廣、流量特性精度高。該調節閥適用于重荷載,普通或惡劣的工況,關閉嚴密,適應于對各種壓力和溫度的流體或氣體的控制,適配各種執行器,起調節作用。快裝式閥籠壓緊閥座設計,減小側向負載和閥芯振動、減小摩擦,延長了控制閥使用壽命。流開式設計,介質流向趨向于控制閥開啟的方向,微小流量狀態可控性好。根據工況可選擇降噪音、抗氣蝕的特殊閥籠.
※氣動調節閥產品規范
規范名稱 | 工業控制閥 | 結構長度 | 法蘭標準 | 氣動調節閥 | 壓力溫度等級 |
國際標準 | IEC 60534-1 | IEC 60534-3-1 | ASME B16.5 | IEC 60534-4 | ASME B16.34 |
國家標準 | GB/T17213 | GB/T17213.3 | JB/T79、HG/T20592等 | GB/T4213 | GB/T9131 |
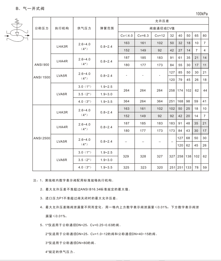
※氣動調節閥本體主要參數
形 式 | 頂導向直通單座閥 |
公稱通徑 | DN20~DN300 |
公稱壓力 | PN16、40、63、100,ANSI CL150、300、600 |
閥體閥蓋材質 | WCB、WC6、WC9、CF8、CF8M、HC276、Ti合金等 |
閥內件材質 | 304、316、HC276、Ti合金等 |
填 料 | 聚四氟乙烯V形、柔性石墨、聚四氟乙烯盤根、柔性石墨夾鎳絲 |
執行機構 | 氣動、電動、液動 |
與執行器連接 | 螺栓壓緊式、圓螺母鎖緊式 |
閥蓋類型 | 標準型、高溫型、低溫型、波紋管型 |
連接方式 | 法蘭型(RF、MFM、RJ)、焊接型(SW、BW) |
法蘭距 | 見下表 |
工作溫度 | -29~+230(標準)、+230~+560(中高溫)、-30~-196(低溫、超低溫) |
泄漏等級 | ANSI B16.104 IV、VI、零泄漏 |
流量特性 | 等百分比、線性、開關 |
固有可調比 | 50:1 |
※氣動調節閥閥門結構長度(法蘭距)
公稱通徑 | 20 | 25 | 32 | 40 | 50 | 65 | 80 | 100 | 125 | 150 | 200 | 250 | 300 | |
法蘭距L | PN16、25 | 184 | 184 | 200 | 222 | 254 | 276 | 298 | 352 | 410 | 451 | 543 | 673 | 737 |
PN40 | 194 | 197 | 210 | 235 | 267 | 292 | 317 | 368 | 425 | 473 | 568 | 708 | 775 | |
PN63、100 | 206 | 210 | 220 | 251 | 286 | 311 | 337 | 394 | 440 | 508 | 610 | 752 | 819 | |
※氣動調節閥額定流量系數和行程
公稱通徑 | 20 | 25 | 32 | 40 | 50 | 65 | 80 | 100 | 125 | 150 | 200 | 250 | 300 | |
閥座直徑 | 20 | 25 | 32 | 40 | 50 | 65 | 80 | 100 | 125 | 150 | 200 | 250 | 300 | |
額定Cv | 線性 | 7 | 14 | 20 | 30 | 44 | 68 | 110 | 175 | 275 | 440 | 690 | 1000 | 1600 |
等百分比 | 6.3 | 10 | 17 | 25 | 40 | 63 | 99 | 160 | 250 | 360 | 640 | 900 | 1440 | |
額定行程 | 16 | 25 | 40 | 60 | 100 | |||||||||
注:DN250與DN300推薦選用平衡籠式閥,使用小壓差時可以選用單座閥(詳詢公司技術服務中心) | ||||||||||||||
閥座直徑20mm以下詳見小流量閥門手冊
※安裝注意事項
新設計、安裝的控制系統,為了確保調節閥在開車時能正常工作,并使系統安全運行,新閥在安裝之前,應首先檢查閥上的銘牌標記是否與設計要求相符。同時還應對以下項目進行調試:基本誤差限;全行程偏差;回差;死區;泄漏量(在要求嚴格的場合時進行)。
如果是對原系統中調節閥進行了大修,除了對上述各項進行校驗外,還應對舊閥的填料函和連接處等部位進行密封性檢查。
調節閥在使用中,很多往往不是因為調節閥本身質量所引起,而是對調節閥的安裝使用不當所造成,如安裝環境、安裝位置及方向不當或者是管路不清潔等原因所致。因此調節閥在安裝使用時要注意以下幾方面:
(1)調節閥屬于現場儀表,要求環境溫度應在-25~60℃范圍,相對濕度≤95%。如果是安裝在露天或高溫場合,應采取防水、降溫措施。在有震源的地方要遠離振源或增加防振措施。
(2)調節閥一般應垂直安裝,特殊情況下可以傾斜,如傾斜角度很大或者閥本身自重太大時對閥應增加支承件保護。
(3)安裝調節閥的管道一般不要離地面或地板太高,在管道高度大于2m時應盡量設置平臺,以利于操作手輪和便于進行維修。
(4)調節閥安裝前應對管路進行清洗,排除污物和焊渣。安裝后,為保證不使雜質殘留在閥體內,還應再次對閥門進行清洗,即通入介質時應使所有閥門開啟,以免雜質卡住。在使用手輪機構后,應恢復到原來的空檔位置。
(5)為了使調節閥在發生故障或維修的情況下使生產過程能繼續進行,調節閥應加旁通管路,同時還應特別注意,調節閥的安裝位置是否符合工藝過程的要求。
(6)調節閥的電氣部分安裝應根據有關電氣設備施工要求進行。如是隔爆型產品應按《爆炸危險場所電氣設備安裝規范》要求進行安裝。在使用維修中,在易爆場所嚴禁通電開蓋維修和對隔爆面進行敲打。同時在拆裝中不要磕傷或劃傷隔爆面,檢修后要還原成原來的隔爆要求狀態。
(7)執行機構拆修后應注意加油潤滑,低速電機一般不要拆洗加油。裝配后還應檢查閥位與閥位開度指示是否相符。











?公司郵箱登入
?
浙公網安備33032402002441號